


Описание и характеристики
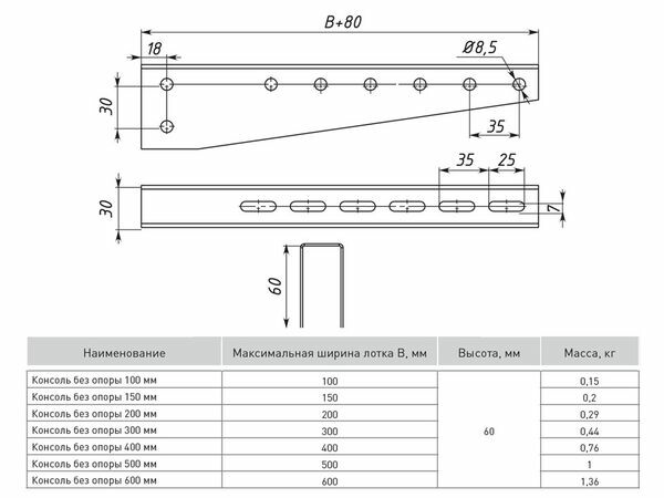
Консоль без опоры является облегченной версией монтажного кронштейна и применяется для малых и средних кабельных нагрузок. Монтаж осуществляется только совместно с профилями pp35120-1,5 (длина 120 мм.) или pp35180-1,5 (длина 180 мм).
ТНВЭД
8302500000
Длина
300 мм
Ширина
300 мм
Показать все характеристики